
水軟化原理:鈉離子交換
軟化是運用離子交換的原理,用軟化器中的鈉離子交換樹脂吸附水中的鈣、鎂離子,釋放鈉離子,使水質得到軟化的工作過程,水質軟化反應方程式為:
吸附鈣、鎂離子飽和后的樹脂經過鈉鹽溶液處理,可重新轉化為鈉型樹脂而恢復交換能力,這一過程稱為樹脂的再生過程,其反應方程式為:
上述反應過程不斷反復進行,就可使軟化水持續不斷產生。
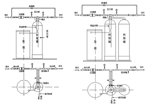
全自動軟化器的構成
控制器:美國原裝進口FLECK/AUTOTROL全自動水力控制閥 配成套程序控制器,吸鹽射流器等。
交換罐:纏繞式玻璃鋼罐體,ABS激光切割線性布水器。
樹 脂:001×7鈉型陽離子交換樹脂。
鹽 箱:PE材質,配套鹽液隔板,吸鹽井及鹽液控制閥。
多路閥工作原理
多路閥是由無鉛黃銅或工程塑料一次鑄制成型,閥體內設計有多個通路的閥門。控制器根據預先設定的程序發出指令,操作閥體內部活塞自動完成各個通路的開、閉,以實現多個工作程序的自動化運行,并實現了完全無人值守。
系統工藝圖
全自動軟水器的工作程序
運 行:原水流經裝有離子交換樹脂的罐體,樹脂中所含的Na+離子與水中的陽離子(Ca2+、Mg2+等)進行離子交換,使出水的Ca2+、Mg2+含量達到設計要求。
反 洗:樹脂失效后,在進行再生之前先用清水自下而上的進行清洗。一方面使運行中壓緊的樹脂層松動,有利于樹脂顆粒與再生液充分接觸,二是****運行時在樹脂表層及樹脂表面積累的污物以及碎樹脂顆粒,減少水流阻力。
吸 鹽:再生液經射流器進入交換器內流經失效的樹脂層,與樹脂內包含Ca2+、Mg2+等離子進行逆反應,使樹脂還原再生,恢復原有交換能力。
置 換:在再生液進完后,交換器膨脹空間及樹脂層中還有尚未參與交換的鹽液,為了充分利用這部分鹽液,采用小于或等于再生液流速的清水進行清洗,目的是不使清水與再生液產生混合。
正 洗:再生結束后,用清水自上而下通過樹脂層,****樹脂層殘留的再生廢液。
鹽箱補水:重新向鹽箱注入溶解再生劑所需消耗的水,為保證鹽箱中的鹽液濃度達到飽和,應保證溶解時間不小于6小時。
全自動軟水器的工作參數
原水硬度:≤8mmol/L(以CaCo3計)采用一級軟化
>8mmol/L(以CaCo3計)建議采用二級軟化
進水壓力:0.2~0.6MPa,0.3Mpa為佳
出水硬度:≤0.03mmol/L
電 源:220V,10W-40W
原水溫度:5℃-50℃
進水濁度:<5
下一條: 大型全自動軟化水系統



